Home › Unlabelled ›
2003 Nissan Xterra Starter Relay Location / 2008 Nissan Xterra Wiring Diagram Light Ez Wire Diagram For 1969 Chevelle Source Auto3 Contuor Jeanjaures37 Fr - My only issue is that i've been looking over manuals for the 2003 pathfinder le from nissan and still have not come across any information on where the starter relay is.
2003 Nissan Xterra Starter Relay Location / 2008 Nissan Xterra Wiring Diagram Light Ez Wire Diagram For 1969 Chevelle Source Auto3 Contuor Jeanjaures37 Fr - My only issue is that i've been looking over manuals for the 2003 pathfinder le from nissan and still have not come across any information on where the starter relay is.. Key in the run position. While attempting a charge i used the (ground) negative charge terminal and held it against the intake manifold and had her turn the key. It's a 10a fuse located in the middle toward the bottom of the fuse panel; 1997, 1998, 1999, 2000, 2001, 2002, 2003, 2004. Engine control module are shipped directly from authorized nissan dealers and backed by the manufacturer's warranty.
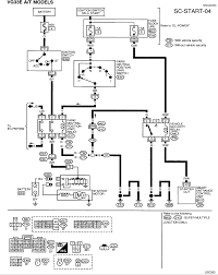
Using a jumper wire from pin #3 to positive post of battery. If you are looking at the box, and there is a row of relays on the left side of it, and on the right side there are fuses on the far right with a row of relays just next to it, it's the top relay on that right side. The very first thing we're gonna' do, to find out if the starter motor on your 2.4l nissan frontier or xterra is bad or not, is to manually apply 12 volts to the starter motor solenoid s terminal. You do not have a starter relay but there is a clutch interlock relay or an park/neutral relay (depends on the type of transmission.) they are located in the relay box on the right fender under the hood so if you will tell me which type of transmission you have i will post the location of the relays in the box. Engine control module are shipped directly from authorized nissan dealers and backed by the manufacturer's warranty.
Nissan Xterra Crank No Start How To Diagnose P0340 Youtube from i.ytimg.com Since no current can get to the neutral safety switch and the activating coil of the starter relay. The very first thing we're gonna' do, to find out if the starter motor on your 2.4l nissan frontier or xterra is bad or not, is to manually apply 12 volts to the starter motor solenoid s terminal. I swapped the starter relay with the ignition relay this morning and got a success rate of 12 starts in 12 tries. 4 cyl 2.4l, 6 cyl 3.3l. 2005, 2006, 2007, 2008, 2009, 2010, 2011, 2012, 2013, 2014, 2015) There is also a troubleshooting guide in the fsm that should be helpful to solve the issue. E27 is your park/neutral position relay; Fuse box diagram (location and assignment of electrical fuses and relays) for nissan xterra (wd22;
4 cyl 2.4l, 6 cyl 3.3l.
I swapped the starter relay with the ignition relay this morning and got a success rate of 12 starts in 12 tries. Your order may be eligible for ship to home, and shipping is free on all online orders of $35.00+. I can't tell you a part number, but the starter relay is located in the fuse and relay box under the hood. 2005, 2006, 2007, 2008, 2009, 2010, 2011, 2012, 2013, 2014, 2015) Parts fit for the following vehicle options. Using a jumper wire from pin #3 to positive post of battery. Check here for special coupons and promotions. The starter is mounted to the housing, and the solenoid mounts to the top of the starter motor. Apparently, nissan does not sell the relays in the ipdm separately. Locate the two metal connectors on the back of the solenoid. 4 cyl 2.4l, 6 cyl 3.3l. E25 is the relay box on the passenger side fender. 2002 xterra pnp/starter relay socket pin #3 black/red wire goes straight to the starter solenoid.
Nissanpartsdeal.com offers the lowest prices for genuine 2003 nissan xterra parts.parts like. 2005, 2006, 2007, 2008, 2009, 2010, 2011, 2012, 2013, 2014, 2015) While attempting a charge i used the (ground) negative charge terminal and held it against the intake manifold and had her turn the key. Check here for special coupons and promotions. How to tell if starter relay is bad?well, it is one of the major but often neglected components of the ignition system.
2011 Nissan Xterra Fuse Diagram Ram Truck Wiring Diagrams Fords8n Nescafe Jeanjaures37 Fr from www.2carpros.com Nissanpartsdeal.com offers the lowest prices for genuine 2003 nissan xterra parts.parts like. New battery did not help. I swapped the starter relay with the ignition relay this morning and got a success rate of 12 starts in 12 tries. Terminal and harness assignments for individual connectors will vary depending on vehicle equipment level, model, and market. Key in the run position. I tried this mornign and failed. While attempting a charge i used the (ground) negative charge terminal and held it against the intake manifold and had her turn the key. 0 answers where is the icm located on a 2003 nissan xterra 3.3 located.
Terminal and harness assignments for individual connectors will vary depending on vehicle equipment level, model, and market.
4 cyl 2.4l, 6 cyl 3.3l. Relay are shipped directly from authorized nissan dealers and backed by the manufacturer's warranty. Nissan xterra 3 3 pump relay location google search Locate the starter motor and solenoid on the driver's side transmission housing. Nissan xterra 3.3 starting problem run out off gas, where is the pump relay here is a link to some diagrams that will show you the location of the relay. E25 is the relay box on the passenger side fender. Parts fit for the following vehicle options. Key in the run position. Nissan is conducting a voluntary safety recall to replace the ecm relay in models listed in the chart below. Of these the starter relay is the easiest to swap out so i started there. If the starter is good it'll crank over like mad if battery is up to task. | answered on jul 25, 2017. It's a 10a fuse located in the middle toward the bottom of the fuse panel;
After that, i put the battery back in my truck and. I can't tell you a part number, but the starter relay is located in the fuse and relay box under the hood. I swapped the starter relay with the ignition relay this morning and got a success rate of 12 starts in 12 tries. If you are looking at the box, and there is a row of relays on the left side of it, and on the right side there are fuses on the far right with a row of relays just next to it, it's the top relay on that right side. Now my door locks dont work at all.
Nissan 350z Fuse Box Diagram Wiring Diagram Var Know Border A Know Border A Viblock It from my350z.com 2005, 2006, 2007, 2008, 2009, 2010, 2011, 2012, 2013, 2014, 2015) It's a 10a fuse located in the middle toward the bottom of the fuse panel; Nissanpartsdeal.com offers the lowest prices for genuine 2003 nissan xterra parts.parts like. 4 cyl 2.4l, 6 cyl 3.3l. E25 is the relay box on the passenger side fender. If you are looking at the box, and there is a row of relays on the left side of it, and on the right side there are fuses on the far right with a row of relays just next to it, it's the top relay on that right side. Nissan xterra 3 3 pump relay location google search The very first thing we're gonna' do, to find out if the starter motor on your 2.4l nissan frontier or xterra is bad or not, is to manually apply 12 volts to the starter motor solenoid s terminal.
Nissan is conducting a voluntary safety recall to replace the ecm relay in models listed in the chart below.
Check here for special coupons and promotions. 1999, 2000, 2001, 2002, 2003, 2004). Nissan xterra 3 3 pump relay location google search New battery did not help. 0 answers where is the icm located on a 2003 nissan xterra 3.3 located. While attempting a charge i used the (ground) negative charge terminal and held it against the intake manifold and had her turn the key. Battery charge did not help. How to tell if starter relay is bad?well, it is one of the major but often neglected components of the ignition system. I can't tell you a part number, but the starter relay is located in the fuse and relay box under the hood. 2005, 2006, 2007, 2008, 2009, 2010, 2011, 2012, 2013, 2014, 2015) I swapped the starter relay with the ignition relay this morning and got a success rate of 12 starts in 12 tries. Recent 2003 nissan xterra questions, problems & answers. Key in the run position.